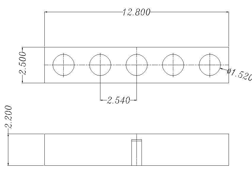
2.54mm Pitch 5pin Pogo Pin Connector
Konnettur tal-pin pogo 2.54mm pitch 5pin
5A Kurrent għoli 2.54mm pitch SMT & Angolu rett & dip pogo pin konnettur fornitur tal-kina u aktar minn 10 snin esperjenza ta 'konnettur mgħobbi bil-molla, Konnettur pogo ta' kurrent għoli custom.

Konnettur tal-pin pogo 2.54mm pitch 5pin
Manifatturi tal-pin Pogo, pin Pogo ta 'kurrent għoli (5A-30A), Il-ħajja tal-prodotti tilħaq 1000,000 ċiklu, konnettur Pin Pogo.

Konnettur tal-pin pogo 2.54mm pitch 5pin
Nistgħu Nippersonalizzaw pin pogo kurrenti għoli għal aktar minn 1600 oġġett (2A-30A). Huma ta 'kwalità stabbli. Il-qiegħ tal-bettija huwa ddisinjat bħala forma ċatta, faċli biex tiġi mmuntata fuq IL-PCB.

Konnettur tal-pin pogo 2.54mm pitch 5pin
Bil-pożizzjoni fuq il-qiegħ tal-bettija. Diffiċli biex tinbidel wara mmuntat fuq PCB Prestazzjoni tajba fuq il-pożizzjonament. kisi tad-deheb ta 'preċiżjoni għolja slott ram bil-kamin pin pogo tar-rebbiegħa, aħna nipprovdu wkoll is-servizz ta' adattament għall-bżonnijiet speċjali tal-klijenti fil-qasam tal-konnettur tal-pin pogo.

It-tags Popolari: Konnettur tal-pin pogo 2.54mm pitch 5pin, iċ-Ċina, fornituri, manifatturi, fabbrika, personalizzati, bl-ingrossa, jixtru, bl-ingrossa, fl-istokk, kampjun b'xejn
Ibgħat l-inkjesta
